

UAV Telemetry Monitor System
Collaborator: Joshua Dixon (EE)
January - April 2023
Abstract
Designed and built a Telemetry monitor as part of a semester project. This device consists of a Bluetooth Low Energy (BLE) module, GPS, and a 9 Degree-of-Freedom (9DOF) Inertia Measurement Unit (IMU) highly integrated into a Printed Circuit Board (PCB). The device as a whole is intended to be mounted on a variety of vehicles that require monitoring, but was designed for Unmanned Aerial Vehicles (UAVs) in mind. With this, careful attention was paid to ensure this sensor payload yielded the smallest possible footprint while maintaining high-quality data, low-power capabilities, and low-weight. The final design measured at a total of 33.91 mm by 81.53 mm.
Project Requirements
-
Operates on solar-power or other environmental harvested energy.
-
Store harvested energy on rechargeable batteries.
-
Uses a microcontroller.
-
Uses at least one sensor.
-
Logs Data.
-
Communicates over Bluetooth Low Energy
-
Can output data through USB.
-
Batteries can be charged through both solar panel and USB.
-
Uses a custom fabricated PCB.
-
Packaged and installed for an application.


My Role
My role within this project consisted of the system circuit design, PCB layout, and software development that will be run onboard.
The circuit design consisted of researching appropriate components that would serve our intended purpose while integrating manufacturer's recommended designs for maximum design yield.
The PCB Layout consisted of taking care of component layout to increase ease of component routing within the PCB as well as minimizing distance between components. Given the high-speed signals used by the BT module and the GPS, careful consideration for trace impedance, stitching, and shielding was taken.
Technical Details
Component Selection
The first step in this project was to go through component selection and determine compatibility with power and sizing requirements. Some of the major components used were:
-
STM32-L476RG (Microcontroller)
-
CP2102 (USB/UART)
-
Bosch's BNO055 (9DOF IMU)
-
U-Blox NEO-6M (GPS Module)
-
DA15432 (BLE Module)
Once the system components were chosen, the datasheet for each component was referenced to confirm application schematics recommended by the manufacturers in addition to any PCB layout recommendations.
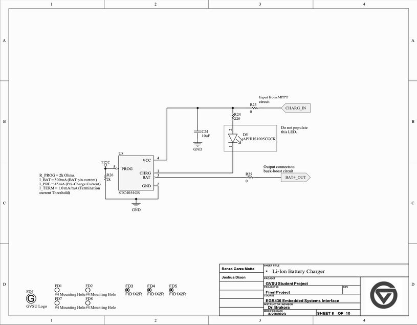
Schematics
A top-to-bottom approach was taken when laying the circuits to ensure each schematic was individually identifiable (See the schematics below). This allowed for easy debugging of circuit connections between circuit schematics when performing the design review prior to manufacturing.
PCB Layout
Next came the layout of components on the PCB. Before routing anything, time was taken to lay out each of the individual circuits outlined in the schematics in such a way that the layout would yield the smallest footprint without the need to route through more than one layer. This meant a cheaper product while maintaining clean power planes and signal integrity.
Once each of the circuits were laid out individually, these building blocks were used to layout the system as a whole to avoid multi-layer routing. (Check out the PCB layers by using the slider below)
Software
Challenges
-
Component layout to minimize routing was tricky to figure out given the 2-layer constraint.
-
Handling High-speed signals such as GPS and Bluetooth. Such high-speeds can be affected by the mere layout on the PCB. All possible precautions were taken to maximize the probability of success.
-
One detail that was overlooked was that the BNO055's magnetometer is affected by currents near the module. Its current location is not ideal for the magnetometer sensor, but due to the high integration of this design, and pinout used for software, the current location for the BNO055 had to remain. Although not ideal, such disturbances within the magnetometer can be adjusted in software.
Outcomes
The project was peer-selected to be presented at GVSU's PCEC Project Day as the best project in the class. The device was successfully able to connect to satellites for GPS lock, as well as proper data output from the 9DOF IMU.













